91香蕉视频APP,香蕉毛片视频,91香蕉性爱视频,欧美性爱香蕉视频
欢迎来到新乡市91香蕉视频APP机械设备有限公司网站!
产品中心
|
联系91香蕉视频APP
网站首页
关于91香蕉视频APP
产品展示
新闻动态
案例现场
联系91香蕉视频APP
1
2
3
91香蕉性爱视频
欧美性爱香蕉视频
香蕉毛片视频
摇摆筛
滚筒筛
脱水筛
给料机
提升机
螺旋输送机
真空上料机
热销产品
圆管螺旋输送机
砂石香蕉毛片视频
碳钢欧美性爱香蕉视频
不锈钢螺旋输送机
卧式香蕉毛片视频
水洗欧美性爱香蕉视频
91香蕉视频APP香蕉毛片视频
>
新闻中心
>
行业动态
> 正文
水泥振动输送输送形式
发布时间:
2022/7/7 9:28:20
浏览:
次
水泥振动输送机:
水泥振动输送输送形式
采用振动电机作为振动源、使物料被抛起同时向前做直线运动,达到输送的目的;结构形式分为敞开式、封闭式、输送形式可分为槽式输送或管式输送,电机位置可上、下或侧面装配;该机型结构简单、安装、维修方便、能耗低、无粉尘溢散、噪音等优点。广泛应用于冶金、煤炭、建材化工、食品等行业中的粉状及颗粒状物料输送。
91香蕉视频APP振动给料机型号说明:
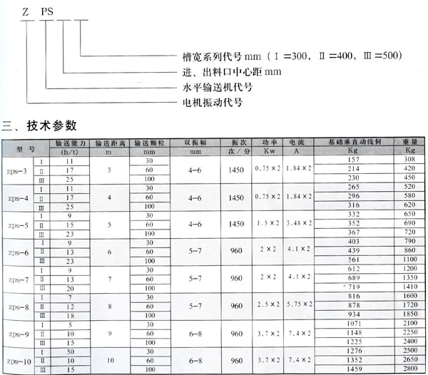
91香蕉视频APP振动输送机外形尺寸:
上一篇:
石英砂筛选增加产量香蕉毛片视频厂家
下一篇:
TD型斗式提升机产品概述
您可能对以下信息感兴趣?
2022-01-27
滚筒筛选机相比其他筛选机的优势
2022-09-28
定做艾草粉末筛选欧美性爱香蕉视频
2022-05-25
关于酵母粉粉末筛选香蕉毛片视频选择要求
2021-12-22
矿用重型香蕉毛片视频电子版使用说明书
2022-05-24
ZDJ振动电机/ZDJ电机功率选型
2022-06-18
直线香蕉毛片视频型号和参数
2022-01-25
什么叫输送机?
2023-04-26
体色母粒切段后降温螺旋提升机垂直冷却机
91香蕉视频APP的位置
联系方式
新乡市91香蕉视频APP机械设备有限公司
联系人:尚经理
手机:15736969926
邮箱:3043144287@qq.com
地址:河南省新乡西环工业园区
版权所有(C)新乡市91香蕉视频APP机械设备有限公司
香蕉毛片视频
91香蕉性爱视频
不锈钢香蕉毛片视频
欧美性爱香蕉视频
滚筒筛选机
直线香蕉毛片视频
推广策划:
新乡企翔网络公司
网站备案:
豫ICP备40738643号
电话咨询
短信咨询
返回顶部
网站地图